Устройство выверки соосности валов УВС-1

Реализация со склада в Харькове новых Устройств выверки соосности валов двигателей УВС-1. Устройство УВС-1 предназначено для центровки валов горизонтальных машин.
  • Артикул: 408224. Цена с НДС от 15.01.2026.
    УСТРОЙСТВО ВЫВЕРКИ СООСНОСТИ ВАЛОВ УВС-1 24 600,00 грн. В корзину! Удалить из корзины
Реализация со склада в Харькове новых Устройств выверки соосности валов двигателей УВС-1.

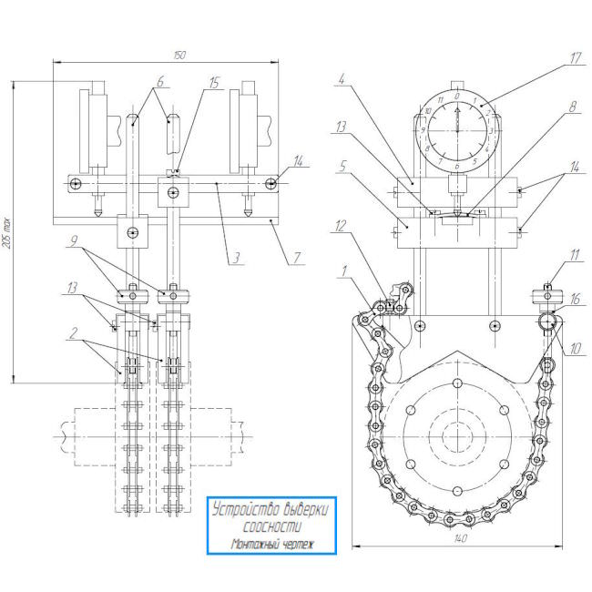
Назначение - Устройство выверки соосности валов УВС-1

Устройство выверки соосности валов УВС-1 - предназначено для центровки валов горизонтальных машин (двигателей) и обеспечивает получение показаний индикаторов часового типа, необходимых для расчета параллельных и угловых несоосностей валов в вертикальной и горизонтальной плоскостях.

Технические данные - Устройство выверки соосности валов электродвигателей УВС-1

  • 1) контролируемый параметр отклонение соосности валов;
  • 2) диапазон измерения отклонения соосности валов, мм 0-5;
  • 3) цена деления индикатора часового типа, мм 0,01;
  • 4) максимальное расстояние между призмами, мм 270;
  • 5) максимальный диаметр охватываемой полумуфты (вала), мм 400;
  • 6) масса, кг, не более 4,5.

Комплект поставки -Устройство выверки соосности валов УВС-1

  • 1) Цепь, шт. 2;
  • 2) Призма крепежная, шт. 2;
  • 3) Штанга крепежная, шт. 1;
  • 4) Держатель штанги крепежной, шт. 1;
  • 5) Держатель штанги упорной, шт. 1;
  • 6) Стойка, шт. 4;
  • 7) Штанга упорная, шт. 1;
  • 8) Пластина, шт. 1;
  • 9) Гайка натяжная, шт. 2;
  • 10) Ось, шт. 2;
  • 11) Шпилька натяжная, шт. 2;
  • 12) Шпилька, шт. 2;
  • 13) Винт М4х8, шт. 6;
  • 14) Винт М4х14, шт. 6;
  • 15) Винт М5х20, шт. 1;
  • 16) Шайба, шт. 2;
  • 17) Индикатор часового типа ИЧ-10, шт. 2;
  • 18) Паспорт, экз. 1.

Гарантия нового реле защиты электродвигателя РЕЗЕ-6М составляет 24 месяца с даты отгрузки со склада ООО "Фирма Контрагент".


  🔎 Набор ключевых фраз: Устройство УВС-1, Устройство выверки соосности валов двигателей УВС-1, Несоосность валов вращающихся узлов исправить, Регулярная выверка валов увеличивает время безотказной работы, Центровщик соосности валов, Прибор для выверки соосности валов, Прибор для соосности валов УВС-1, система для простой выверки соосности валов, Устройства выравнивания соосности валов УВС 1 .

Страна производства:

Украина

Комментарии (0)

Оставить комментарий

Вы комментируете как Гость.